機座不帶底腳、端蓋上有凸緣(帶螺孔)的電動機(B14)Frame without foot end shield with flange(B14)
如需更多信息,請發送電子郵件或撥打我們的熱線電話
機座不帶底腳、端蓋上有凸緣(帶螺孔)的電動機(B14)Frame without foot end shield with flange(B14)
如需更多信息,請發送電子郵件或撥打我們的熱線電話
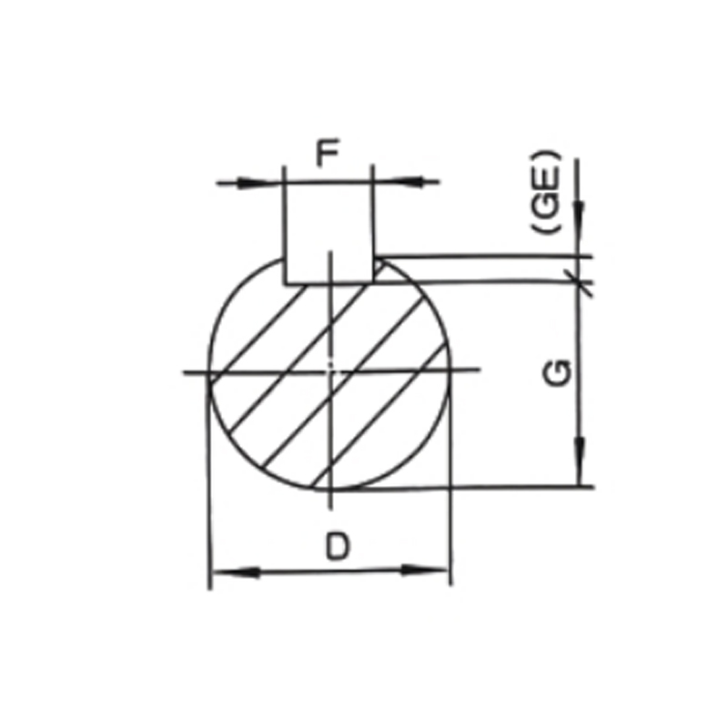
| 機座號 | 極數 | D | E | F | G | M | N | P | R | S | T | 孔數 | AC | AD | HF | L |
| Frame | Ploes | Holes | ||||||||||||||
| 80M | 2.4.6.8 | 19 | 40 | 6 | 15.5 | 10 | 80 | 120 | 0 | M6 | 3 | 4 | 175 | 145 | 305 | |
| 90S | 24 | 50 | 8 | 20 | 115 | 95 | 140 | M8 | 195 | 165 | 360 | |||||
| 90L | 390 | |||||||||||||||
| 100L | 28 | 60 | 24 | 130 | 110 | 160 | 3.5 | 215 | 180 | 245 | 435 | |||||
| 112M | 240 | 190 | 265 | 470 |