臥式安裝、機座不帶底腳、端蓋上有凸緣的電動機(B5)Frame without foot end shield with flange(B5)
如需更多信息,請發送電子郵件或撥打我們的熱線電話
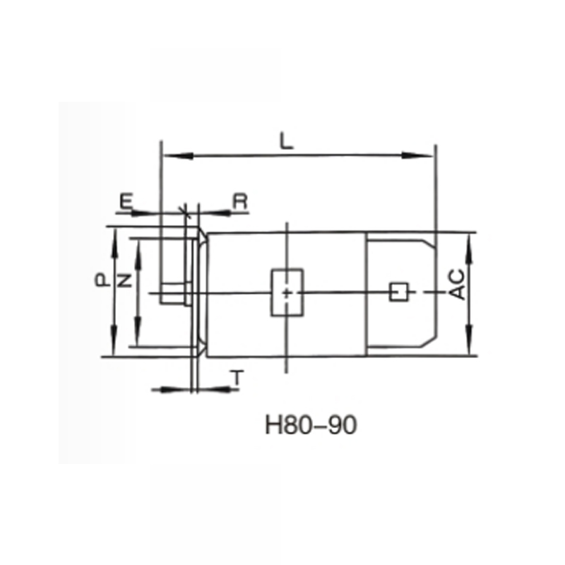
臥式安裝、機座不帶底腳、端蓋上有凸緣的電動機(B5)Frame without foot end shield with flange(B5)
如需更多信息,請發送電子郵件或撥打我們的熱線電話
| 機座號 | 極數 | D | E | F | G | M | N | P | R | S | T | 孔數 | AC | AD | HF | L |
| Frame | Ploes | Holes | ||||||||||||||
| 80M | 2.4 | 19 | 40 | 6 | 15.5 | 165 | 130 | 200 | 0 | 12 | 3.5 | 4 | 175 | 145 | 185 | 395 |
| 90S | 2.4.6 | 24 | 50 | 8 | 20 | 195 | 155 | 1958 | 420 | |||||||
| 90L | 445 | |||||||||||||||
| 100L | 2.4.6.8 | 28 | 60 | 24 | 215 | 180 | 250 | 14.5 | 4 | 215 | 180 | 245 | 480 | |||
| 112M | 240 | 190 | 265 | 500 | ||||||||||||
| 132S | 38 | 80 | 10 | 33 | 265 | 230 | 300 | 275 | 210 | 315 | 600 | |||||
| 132M | 640 | |||||||||||||||
| 160M | 2.4.6.8.10 | 42 | 110 | 12 | 37 | 300 | 250 | 350 | 18.5 | 5 | 330 | 255 | 385 | 750 | ||
| 160L | 800 | |||||||||||||||
| 180M | 48 | 14 | 42.5 | 380 | 280 | 430 | 830 | |||||||||
| 180L | 870 | |||||||||||||||
| 200L | 55 | 16 | 49 | 350 | 300 | 400 | 420 | 305 | 480 | 920 | ||||||
| 225S | 4.6.8.10 | 60 | 140 | 18 | 53 | 400 | 350 | 450 | 8 | 470 | 335 | 535 | 940 | |||
| 225M | 2 | 55 | 110 | 16 | 49 | 940 | ||||||||||
| 4.6.8.10 | 60 | 140 | 18 | 53 | 965 | |||||||||||
| 250M | 2 | 500 | 450 | 550 | 510 | 370 | 595 | 1075 | ||||||||
| 4.6.8.10 | 65 | 58 | ||||||||||||||
| 280S | 2 | 580 | 410 | 650 | 1170 | |||||||||||
| 4.6.8.10 | 75 | 20 | 67.5 | |||||||||||||
| 280M | 2 | 65 | 18 | 58 | 1220 | |||||||||||
| 4.6.8.10 | 75 | 20 | 67.5 |