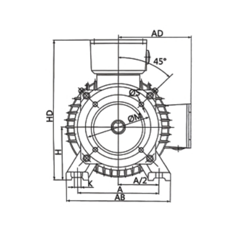
機座帶底腳、端蓋有凸緣(螺孔)的電動機(B34)Frame with foot,end shield with flange(screw(B34)
如需更多信息,請發送電子郵件或撥打我們的熱線電話
機座帶底腳、端蓋有凸緣(螺孔)的電動機(B34)Frame with foot,end shield with flange(screw(B34)
如需更多信息,請發送電子郵件或撥打我們的熱線電話
| 機座號Frame | 極數 Ploes | 安裝尺寸Mounting dimension(mm) | 外形尺寸Overall dimensions(mm) | ||||||||||||||||||||
| A | A/2 | B | C | H | K | D | E | F | G | M | N | P | R | S | T | 孔數 Holes | AB | AC | AD | HD | L | ||
| 80M | 2.4.6 | 125 | 62.5 | 100 | 50 | 80 | 10 | 19 | 40 | 6 | 15.5 | 100 | 80 | 120 | 0 | M6 | 3 | 4 | 165 | 175 | 145 | 220 | 305 |
| 90S | 2.4.6 | 140 | 70 | 100 | 56 | 90 | 10 | 24 | 50 | 8 | 20 | 115 | 95 | 140 | M8 | 3 | 180 | 205 | 170 | 265 | 360 | ||
| 90L | 2.4.6 | 140 | 70 | 125 | 56 | 90 | 10 | 24 | 50 | 8 | 20 | 115 | 95 | 140 | M8 | 3 | 180 | 205 | 170 | 265 | 390 | ||
| 100L | 2.4.6.8 | 160 | 80 | 140 | 63 | 100 | 12 | 28 | 60 | 8 | 24 | 130 | 110 | 160 | M8 | 3.5 | 205 | 215 | 180 | 270 | 435 | ||
| 112M | 2.4.6.8 | 190 | 95 | 140 | 70 | 112 | 12 | 28 | 60 | 8 | 24 | 130 | 110 | 160 | M8 | 3.5 | 230 | 255 | 200 | 310 | 440 | ||